Bonjour à toutes et tous,
Mon problème : la soufflerie du chauffage de ma 523 IA (E 39) de 2000 ne s'arrête plus, même sans la clef de contact.
Afin de ne pas "pomper" la batterie, j'ai enlevé le fusible 76 ("caché" derrière la boîte à gants).
Donc plus de risque pour la batterie. Par contre je n'ai évidemment plus de chauffage !
Quelqu'un aurait-il une idée sur la provenance de ce dysfonctionnement ?
Court-circuit quelque part peut-être ? Ou autre ?
Merci
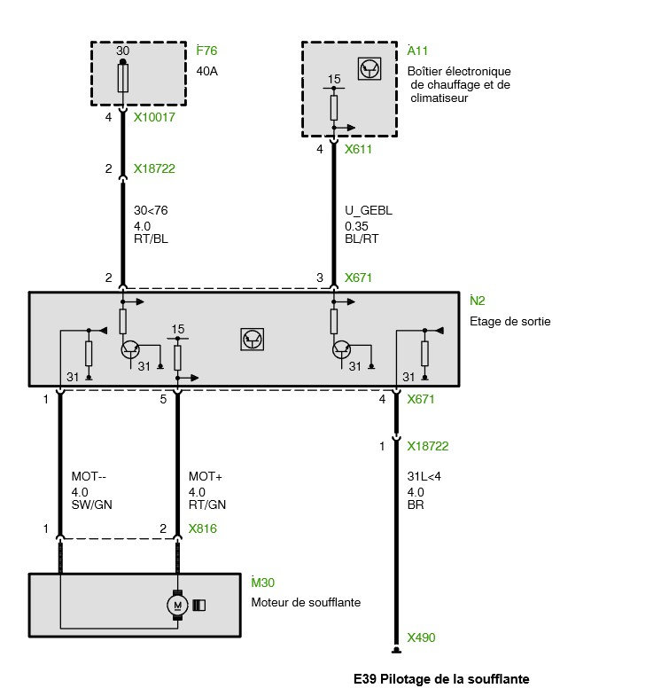
Soufflante De Chauffage E39
- Adrien-24
- Messages : 3373
- Inscription : sam. avr. 16, 2011 5:46 pm
- Localisation : Bergerac
Re: Soufflante De Chauffage E39
Ca peut arriver quand les transistors qui alimentent le rotor du ventilo, et permettent de faire varier la vitesse sont HS.
Enfin c'est une piste...
Enfin c'est une piste...
530i e39 & Xm V6 PRV12S BVA
- SR750i
- Messages : 316
- Inscription : lun. sept. 26, 2005 7:17 am
- Localisation : Annecy
- thamomo007
- Messages : 7475
- Inscription : dim. nov. 28, 2004 2:10 pm
- Localisation : Metz
Re: Soufflante De Chauffage E39
C'est plus qu'une piste sur e46 / e39 c'est généralement la cause du problème.
;-)
-
Spidoto
- Messages : 2
- Inscription : lun. nov. 23, 2015 11:43 am
Re: Soufflante De Chauffage E39
Bonjour et merci pour les réponses !
Je vais essayer de trouver le boîtier N2.
C'est une pièce achetable chez BMW ou Oscaro ?
Cordialement.
Je vais essayer de trouver le boîtier N2.
C'est une pièce achetable chez BMW ou Oscaro ?
Cordialement.
- thamomo007
- Messages : 7475
- Inscription : dim. nov. 28, 2004 2:10 pm
- Localisation : Metz
Qui est en ligne ?
Utilisateurs parcourant ce forum : Aucun utilisateur inscrit et 64 invités

