Page 1 sur 1
Test serrure de coffre électrique
Publié : lun. avr. 07, 2025 10:12 pm
par Thor_Eyerdhal
La commande électrique du coffre ne répond plus du tout (e46)
Quelqu’un sait-il comment tester le servo moteur?
Il y a 4 broches (dont certaines servent pour le signal de coffre ouvert au TdB), malheureusement il n’y
A aucun schéma dans le Haynes pour le coffre…
Re: Test serrure de coffre électrique
Publié : mar. avr. 08, 2025 5:25 am
par Sebast
Salut,
T'auras rien sur Haynes, pour le coffre. Il te faut TIS ou une RTA.
Tu peux laisser le VIN en MP, voir si j'ai un truc ?
Re: Test serrure de coffre électrique
Publié : mar. avr. 08, 2025 8:02 pm
par Thor_Eyerdhal
Bon j’ai ouvert le boitier du mécanisme d’ouverture et j’ai envoyé du jus sur le moteur, le déverrouillage fonctionne, ainsi que le microswitch qui commande l’éclairage et le voyant d’alerte TDB.
J’ai nettoyé tous les contacts mais rien n’y fait, une fois tout reconnecté, pas de réaction quand on presse le bouton d’ouverture; conclusion
Le problème est en amont, demain je démonte la barre d’éclairage et le bouton de commande…
Re: Test serrure de coffre électrique
Publié : mer. avr. 09, 2025 5:35 am
par Sebast
Salut,
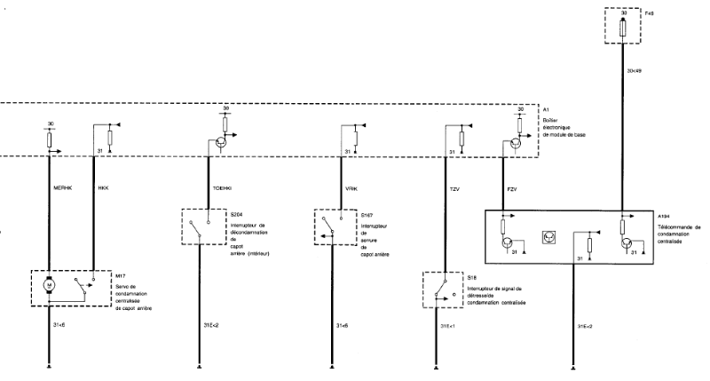
J'ai qu'un 3 pins en schéma...

- Sans titre.png (51.26 Kio) Consulté 940 fois
Re: Test serrure de coffre électrique
Publié : mer. avr. 09, 2025 11:35 am
par Thor_Eyerdhal
Merci!
Bon c’est pas très parlant pour faire des tests sans refs de couleurs de cable.
De toutes façons ca s’oriente plus vers la commande que vers le mecanisme, à voir ce soir…
Re: Test serrure de coffre électrique
Publié : jeu. avr. 10, 2025 5:39 am
par Thor_Eyerdhal
Bon et bien c’etait encore la connexion 3 pins au niveau du bouton de commande, contacts oxydés comme la dernière fois…
Penible si ca devient chronique.
En tous cas merci pour votre aide
