Programme "bva" Sur 750Il E32
-
En ligneJohnCONNOR83
- Membre du club

- Messages : 11978
- Inscription : lun. août 26, 2013 8:11 pm
- Localisation : TOULON
Re: Programme "bva" Sur 750Il E32
Bonjour,
Je crois que c'est ce qu’il faut faire de nos jours si on veut être sur de pouvoir revoir des choses intéressantes plus tard.
Je crois que c'est ce qu’il faut faire de nos jours si on veut être sur de pouvoir revoir des choses intéressantes plus tard.
Patrick: BMW e34 520i M50b20 150cv de 1994, Toyota RAV 4 2L 129cv essence de 1996, Peugeot 206+ 1,1L 60cv essence de 2011.
- cyril.m535i
- Messages : 4392
- Inscription : dim. sept. 17, 2006 3:56 pm
- Localisation : toulouse
- Contact :
Re: Programme "bva" Sur 750Il E32
Je n'arrive pas à l'ouvrir le lien. Il me demande un nom un mot de passe. Je ne l'ai pas.
Le garage; E21 320/4 de 1976 (vendu), E12 525 de 1976, E24 635CSIA de 1982, E30 323I Baur n°1438 de 1984, E28 535I de 1985, E28 M5 n°367 de 1985, E23 745i turbo Highline n°108 de 1985, E23 728i Luxe de 1985, E30 325i cabriolet de 1986, E32 750i de 1989, E32 750il de 1992, E34 525tds touring de 1995(vendu), E39 535ia GPL de 1997.
Les autres; Renault 8 Major de 1965, Alfa Roméo 75 V6 de 1987, Renault safrane 2.5 RXE de 2000, Peugeot 607 hdi de 2003.
Les autres; Renault 8 Major de 1965, Alfa Roméo 75 V6 de 1987, Renault safrane 2.5 RXE de 2000, Peugeot 607 hdi de 2003.
- titi750
- Messages : 1188
- Inscription : mar. août 20, 2002 6:17 pm
- Localisation : Chatillon 92 & Plouzané
Re: Programme "bva" Sur 750Il E32
Bizarre, d'autant que ca a marché sans mot de passe pour les autres. Je le mets sur Dropbox et renvoie le lien ASAP.
Et voilà le lien bis :
https://www.dropbox.com/s/mqa6d7wzwwre1pt/Joh%20%26%20Sean%20E32%20pagean.zip?dl=0
Puis cliquer sur le bouton télécharger en haut à droite, puis cliquer en bas de la fenêtre qui s'ouvre "non merci, télécharger directement" ou un truc du genre.
Et voilà le lien bis :
https://www.dropbox.com/s/mqa6d7wzwwre1pt/Joh%20%26%20Sean%20E32%20pagean.zip?dl=0
Puis cliquer sur le bouton télécharger en haut à droite, puis cliquer en bas de la fenêtre qui s'ouvre "non merci, télécharger directement" ou un truc du genre.
E38, E32 et E23
- cyril.m535i
- Messages : 4392
- Inscription : dim. sept. 17, 2006 3:56 pm
- Localisation : toulouse
- Contact :
Re: Programme "bva" Sur 750Il E32
Merci titi, j'ai enfin réussi a l'ouvrir. Par contre je ne trouve pas le menu qui parle de la gestion EML.
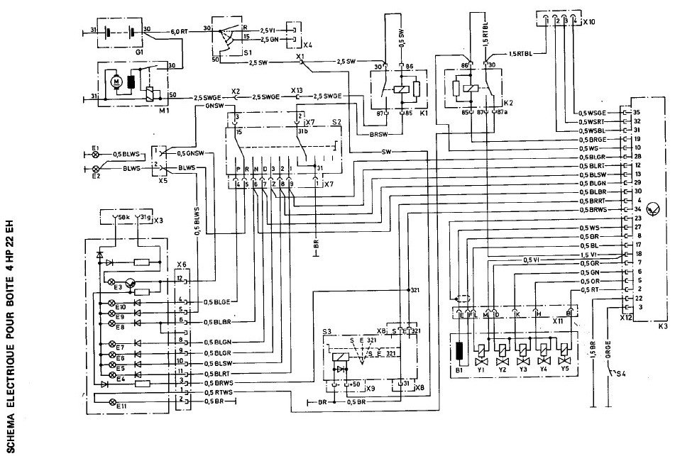
En recherchant sur le net, j'ai trouvé des doc intéressantes sur la boite 4hp22. Qui parle bien anglais?






J'ai trouvé aussi ça;


En recherchant sur le net, j'ai trouvé des doc intéressantes sur la boite 4hp22. Qui parle bien anglais?






J'ai trouvé aussi ça;


Le garage; E21 320/4 de 1976 (vendu), E12 525 de 1976, E24 635CSIA de 1982, E30 323I Baur n°1438 de 1984, E28 535I de 1985, E28 M5 n°367 de 1985, E23 745i turbo Highline n°108 de 1985, E23 728i Luxe de 1985, E30 325i cabriolet de 1986, E32 750i de 1989, E32 750il de 1992, E34 525tds touring de 1995(vendu), E39 535ia GPL de 1997.
Les autres; Renault 8 Major de 1965, Alfa Roméo 75 V6 de 1987, Renault safrane 2.5 RXE de 2000, Peugeot 607 hdi de 2003.
Les autres; Renault 8 Major de 1965, Alfa Roméo 75 V6 de 1987, Renault safrane 2.5 RXE de 2000, Peugeot 607 hdi de 2003.
- AbuShemsy
- Membre du club

- Messages : 11566
- Inscription : mer. avr. 27, 2016 7:40 pm
Re: Programme "bva" Sur 750Il E32
Pour moi, c'était comme Cyril. Il me demandait un compte.
- titi750
- Messages : 1188
- Inscription : mar. août 20, 2002 6:17 pm
- Localisation : Chatillon 92 & Plouzané
Re: Programme "bva" Sur 750Il E32
Pas vu de page EML mais dans la page d'échange de la BVA il parle du trans program error en montrant le capteur de vitesse dans la BVA.
A+
A+
E38, E32 et E23
- cyril.m535i
- Messages : 4392
- Inscription : dim. sept. 17, 2006 3:56 pm
- Localisation : toulouse
- Contact :
Re: Programme "bva" Sur 750Il E32
Oui d'après la documentation de la 4hp22, le boitier EGS fait un test des différents capteurs au contact de démarrage. Si ils y a des défauts constatés, la boîte automatique passe en mode sécu.
Pour le weekend qui vient, je vais déjà regarder l'état des différentes connexions, posé le boitier EGS sur ma deuxième 750 pour voir et regarder les mesures en sortie de boîte pour les comparer à celle de la documentation trouver.
Pour le weekend qui vient, je vais déjà regarder l'état des différentes connexions, posé le boitier EGS sur ma deuxième 750 pour voir et regarder les mesures en sortie de boîte pour les comparer à celle de la documentation trouver.
Le garage; E21 320/4 de 1976 (vendu), E12 525 de 1976, E24 635CSIA de 1982, E30 323I Baur n°1438 de 1984, E28 535I de 1985, E28 M5 n°367 de 1985, E23 745i turbo Highline n°108 de 1985, E23 728i Luxe de 1985, E30 325i cabriolet de 1986, E32 750i de 1989, E32 750il de 1992, E34 525tds touring de 1995(vendu), E39 535ia GPL de 1997.
Les autres; Renault 8 Major de 1965, Alfa Roméo 75 V6 de 1987, Renault safrane 2.5 RXE de 2000, Peugeot 607 hdi de 2003.
Les autres; Renault 8 Major de 1965, Alfa Roméo 75 V6 de 1987, Renault safrane 2.5 RXE de 2000, Peugeot 607 hdi de 2003.
- 325ix86
- Président

- Messages : 11194
- Inscription : dim. sept. 01, 2002 7:51 pm
- Localisation : TOULOUSE (31)
- Contact :
Re: Programme "bva" Sur 750Il E32
A mon avis, partir du seul message d'erreur au tableau de bord et échanger des boitiers un par un, risque de créer plus de confusion que de réponses.
Avant de brouiller les pistes dans tous les sens, un diag pour voir ce qu'il s'est réellement passé, et une fois ces infos enregistrées, on peut faire tes essais.
Appelle moi
Avant de brouiller les pistes dans tous les sens, un diag pour voir ce qu'il s'est réellement passé, et une fois ces infos enregistrées, on peut faire tes essais.
Appelle moi
- cyril.m535i
- Messages : 4392
- Inscription : dim. sept. 17, 2006 3:56 pm
- Localisation : toulouse
- Contact :
Re: Programme "bva" Sur 750Il E32
OK merci Frederic, je t'appelle ce soir.
Le garage; E21 320/4 de 1976 (vendu), E12 525 de 1976, E24 635CSIA de 1982, E30 323I Baur n°1438 de 1984, E28 535I de 1985, E28 M5 n°367 de 1985, E23 745i turbo Highline n°108 de 1985, E23 728i Luxe de 1985, E30 325i cabriolet de 1986, E32 750i de 1989, E32 750il de 1992, E34 525tds touring de 1995(vendu), E39 535ia GPL de 1997.
Les autres; Renault 8 Major de 1965, Alfa Roméo 75 V6 de 1987, Renault safrane 2.5 RXE de 2000, Peugeot 607 hdi de 2003.
Les autres; Renault 8 Major de 1965, Alfa Roméo 75 V6 de 1987, Renault safrane 2.5 RXE de 2000, Peugeot 607 hdi de 2003.
- cyril.m535i
- Messages : 4392
- Inscription : dim. sept. 17, 2006 3:56 pm
- Localisation : toulouse
- Contact :
Re: Programme "bva" Sur 750Il E32
Bonjour à tous, j'ai un peu regarder l'état des calculateurs motronic et EML. Je démonte le cache, et là... catastrophe, de l'eau dans les boitiers... l'évacuation d'eau en dessous bouché...
Je démonte tout ça débouche et sèche le compartiment calculateurs. Je remplace tout les modules par des autres que j'avais démonté sur la donneuse d'organe. Mais après avoir remis le courant, rien de nouveau. Pas de démarrage... mais déjà de l'eau dans les calculateurs pas top...
Je démonte tout ça débouche et sèche le compartiment calculateurs. Je remplace tout les modules par des autres que j'avais démonté sur la donneuse d'organe. Mais après avoir remis le courant, rien de nouveau. Pas de démarrage... mais déjà de l'eau dans les calculateurs pas top...
Le garage; E21 320/4 de 1976 (vendu), E12 525 de 1976, E24 635CSIA de 1982, E30 323I Baur n°1438 de 1984, E28 535I de 1985, E28 M5 n°367 de 1985, E23 745i turbo Highline n°108 de 1985, E23 728i Luxe de 1985, E30 325i cabriolet de 1986, E32 750i de 1989, E32 750il de 1992, E34 525tds touring de 1995(vendu), E39 535ia GPL de 1997.
Les autres; Renault 8 Major de 1965, Alfa Roméo 75 V6 de 1987, Renault safrane 2.5 RXE de 2000, Peugeot 607 hdi de 2003.
Les autres; Renault 8 Major de 1965, Alfa Roméo 75 V6 de 1987, Renault safrane 2.5 RXE de 2000, Peugeot 607 hdi de 2003.
Qui est en ligne ?
Utilisateurs parcourant ce forum : Aucun utilisateur inscrit et 1 invité

