Bonjour,
Petite mise à jour.
Depuis la dernière publication, j'ai effectué quelques travaux sur la 540. Les couvres culasses ont été un chantier de longue haleine notamment en raison de la sous traitance de la peinture epoxy.
C'est Gilles, le contact et voisin de Frédéric qui a encore oeuvré.
Malheureusement le couvre culasse gauche était vraiment trop oxydé pour obtenir un beau résultat en peinture brillante. Ce n'est pas bien grave, c'est déjà bien plus propre.
Avant pour rappel:

- avant.jpg (157.65 Kio) Consulté 597 fois
Donc récupération des couvre culasse:

- couvre culasses emballes.jpg (147.35 Kio) Consulté 597 fois
Moteur en attente, avec un joli drap rose

:

- chantier.jpg (143.91 Kio) Consulté 597 fois
On repose tout ça, serrage au couple prescrit:

- serrage.jpg (134.02 Kio) Consulté 597 fois
Et oups, la masse des bobine est passé sous le joint

! Je me ferais avoir des deux cotés

!
Donc on refait avant séchage de la pâte au jonction des demi lune et du carter de distri.
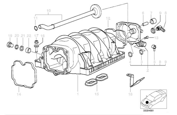
Le collecteur a eu droit a un bon nettoyage et séchage avant d'être équipé de ses joints et du déshuileur neuf:

- collecteur.jpg (80.68 Kio) Consulté 597 fois
D'ailleurs, le joint repère 22 était déformé et sortit de son logement, associé à la durite de recyclage des vapeurs d'essence dont le collier n'était pas serré, je pense que j'ai trouvé l'origine des prise d'air fugitives.

- joint 22.jpg (58.72 Kio) Consulté 597 fois
Petit comparatifs des joints qui assurent le serrage des couvre culasse:

- joints 1.jpg (131.07 Kio) Consulté 597 fois

- joints 2.jpg (50.73 Kio) Consulté 597 fois

- joints 3.jpg (106.94 Kio) Consulté 597 fois
On comprends pourquoi ça fuit, vu l'écrasement des joints.
Après redemarrage j'ai profité de la vidange pour contrôler la pompe et sa chaîne, le carter juste essuyé, pas de produits:

- carter.jpg (158.78 Kio) Consulté 597 fois
La pâte rouge sur les carter de distribution, intermédiaire inférieur, les nombreuses pièces datées de 2013/2014 démontrent faute d'historique très précis une belle révision du moteur (distribution, joint admission et déshuileur, boitier papillon, etc). C'est une bonne surprise.
La voiture est reprogrammé éthanol depuis mardi, j’ai fait confiance à un Toulousain, qui ne cache pas son travail et m'a expliqué comment il a procédé. Il a modifié aussi la réponse moteur entre 1500 et 3000, le V8 déja coupleux est devenu très vif et encore plus plaisant, très agréable car cela évite certains rétrogradages intempestifs de la BVA.
Pas de passage au banc, il suppose que le moteur a récupéré une vingtaine de poneys.
Le trouvant un peu brutal il a adouci la réponse, et ce n'est que mieux.
A l'essai, c'est assez significatif, le moteur tracte plus bas dans les tours et pousse jusqu'en haut du compte tours sans faiblir.
Au niveau des tuiles, il en faut bien quelques unes, novembre est assez souvent un mois "noir" pour moi (vous pouvez retrouver mon épisode chat noir de 2005/6 avec la M3 sur le forum

)...
Donc, juste avant de conduire l'auto pour la reprog, soit le 3/11, j'ai remplacé les injecteurs par des 340/3.5 b - 0 280 155 759.
Intervention faites en 45 min chrono.
La surprise du matin, batterie HS, et oui, rentré de vacances le mercredi soir, j'ai oublié d'éteindre le plafonnier du coffre après avoir déchargé l'auto...
Je pose un batterie de secours, plus petite et me voilà partit.
J'arrive à l'horaire prévu, boutique fermée ...

... appel, pas de réponse... 45 minutes plus tard, m'apprétant à repartir, le programmeur s'est trompé sur son planning et avait noté le rdv pour le 10

. Je lui laise l'auto et m'en vais me faire déposer à la gare, j'ai raté mon train et la correspondance, j'ai RDV à 13h45 et le l'autre train arrivera à 13h40, 1.6 km a pied en 5 minutes c'est jouable
Fin du premier épisode.
Le samedi 5 était la date de restitution, sauf que je suis complètement à terre, syndrome grippal (et test covid negatif), je reporte à mardi la restitution.
Oui, il est court le deuxième épisode, j'ai beaucoup dormit
Troisième volet, mardi 8/11, le trajet en train se passe bien, j'arrive à destination, et le programmeur est désolé d'être en retard, mais en optimisant les réglages pour rendre la réponse plus souple il a eu une avarie.... En montée la voiture a coupé, tout voyants allumés, il s'est garé puis a redemmarré, défauts en pagaille, sécurité BVA, etc ...
Il se doute que c'est un PB de batterie, bingo, la cosse positive à sauté ... souvenez vous, avant de partir la déposer, la batterie changé par bibi en catastrophe

, je pense avoir oublier de serrer la borne.
Je m'en sort avec deux lampe de feux de brouillard grillées et le module de ventilation en court circuit, ça pourrait être pire.
Quatrième et dernier volet:
Je récupère la voiture avec explications, je paye, et je pars. Premier arrêt pour faire le plein (moins de 50 €

) et second arrêt pour tenter de trouver deux lampes HB4 pour les feux de brouillard, choux blanc.
Je redémmare et le moteur se met à brouter, voyant mil clignotant puis fixe, puissance bien amputée. J'ai mon petit elm avec moi, défaut mysfire cylindre 3 avec coupure d'injection. Je m'arrête, coupe le moteur, efface le défaut, redémarre, déconnecte la bobine 3 (je n'avais pas remis les carter de bobines pour surveiller le remontage des joints de couvre culasse), aucun changement

!
Permutation bobine 1/3 et le défaut suit la bobine, la messe est dite ... j'ai 85 km à faire en V7. Pas de bobine en stock chez le revendeur du coin, je rentre tan,t bien que mal sur 7 cylindres, c'est pas agréable.
Essai d'une bobine de M52, effacement défaut, parfaite régularité. Allez, il me reste à me fendre de 8 bobines neuves, celles de 2002 ayant décidé que 20 ans c'est un bel age pour la retraite.
Je pense que les avances augmentées, le bain d'huile des bougies ça a beaucoup joué sur leur défaillance.
J'ai reçu le module de puissance de clim, je vais le monter aujourd'hui, restera les lampes de feux de brouillard et l'épisode "noir" se referme, enfin j'espère
